Product profile
The parking space indicator light is installed directly in front of each parking space, and is directly controlled by the ultrasonic parking space detector, which displays different colors according to the instructions of the detector. The indicator light is green when there is no vehicle parked on the parking space, and red when the vehicles are parked.
Product features
1) Unique appearance design, simple and simple atmosphere;
2) The status indicator light adopts high bright LED, long service life, long visual distance and wide perspective;
3) Control the color change of the indicator light through the power carrier mode. Only the 2-core power cord can work, and the construction wiring is simple.
Technical Parameters
| model | WBP-LED01 | working voltage | DC 5V |
| specification and dimension | φ120*45mm | working temperature | - 30℃~+ 75℃ |
| net weight | 100g | ambient humidity | 90% RH (no condensation) |
| material quality | ABS engineering plastic | power dissipation | < 0.5 W |
| Color instructions | Red and green double color highlight LED | visual range | 30m |
| mounting height | 1.5-4 m (same level as detector) | ||
Technical parameters table of split parking space indicator light
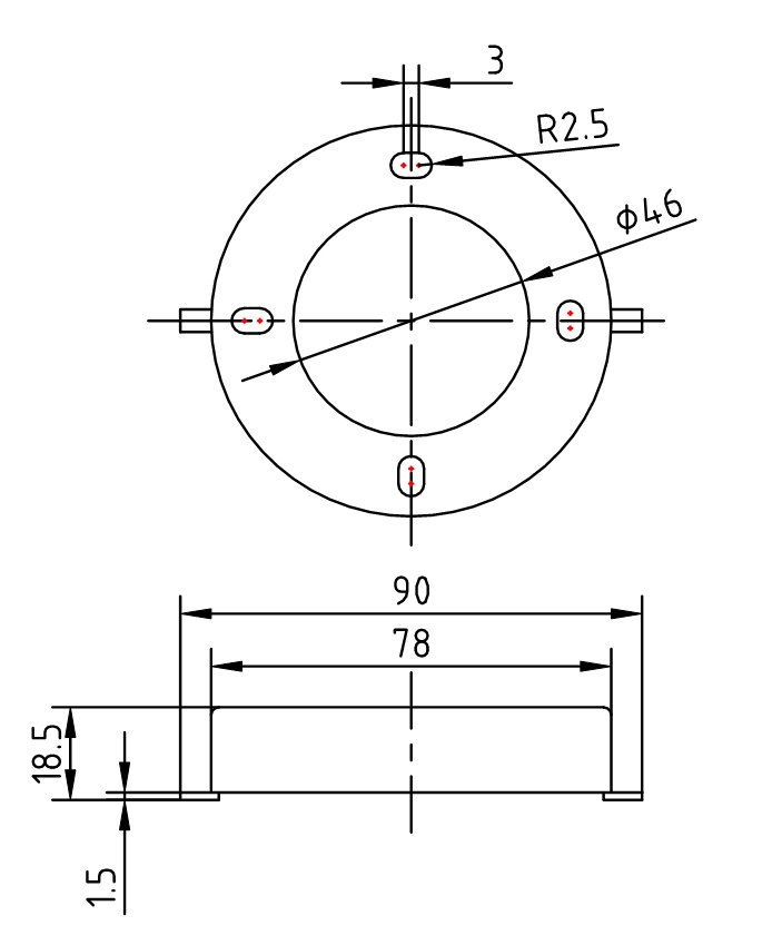
Structure diagram of split parking space indicator light (unit: mm) Fig
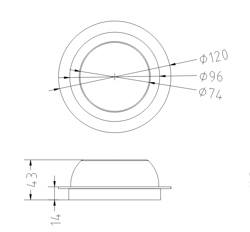
Structure diagram of parking space indicator light base (unit: mm)
Product installation
The split parking space indicator light is installed between 1.5 meters and 4.0 meters directly above the parking space, and the recommended installation height is 2.5 meters
The installation diagram is shown in Figure
Use and maintenance
1) Non-system maintenance personnel shall not operate the system equipment at will to prevent misoperation and cause system failure.
2) After the system configuration file is completed, please make a backup to prevent it cannot be restored after damage.
3) When replacing the faulty equipment, please disconnect the power of the equipment and operate to prevent the equipment from burning during the operation.
4) When the system cannot work normally, please check the power supply of each equipment first and whether it is turned off by mistake.
Example diagram of the site installation




